Меню
Главная
Форумы
Новые сообщения
Поиск сообщений
Что нового?
Новые сообщения
Последняя активность
Пользователи
Текущие посетители
Вход
Регистрация
Что нового?
Поиск
Поиск
Искать только в заголовках
От:
Новые сообщения
Последняя активность
Меню
Вход
Регистрация
Главная
Что нового?
JavaScript отключён. Чтобы полноценно использовать наш сайт, включите JavaScript в своём браузере.
Последняя активность
Что нового?
Новые сообщения
Последняя активность
Ataman4eG
ответил(а) в теме
1 дпкв на 2 эбу
.
Оба ЭБУ работают с индуктивным дпкв
18 Окт 2025
induke
ответил(а) в теме
Турбо Шнива с кандером.
.
это все ваши модули зажигания до главного реле и дикий перелив на холодном пуске
18 Окт 2025
induke
ответил(а) в теме
1 дпкв на 2 эбу
.
самое важное в работе электроники - надежная жирная земля всех блоков!!! это постулат!! с индуктивными датчиками не важно какой мозг. с...
18 Окт 2025
induke
ответил(а) в теме
1 дпкв на 2 эбу
.
бред мурзилок-малолеток которые не понимают работы входной микросхемы в внутри эбу. к выводу 48 впаяй по одному резистору 510 ом 0,25...
18 Окт 2025
vitas-do
ответил(а) в теме
Турбо Шнива с кандером.
.
немного треша
18 Окт 2025
Ataman4eG
ответил(а) в теме
1 дпкв на 2 эбу
.
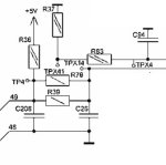
Типо такого? Ещё встречалась инфа что собирают операционный усилитель, но что это и как это работает не знаю
18 Окт 2025
Ataman4eG
ответил(а) в теме
1 дпкв на 2 эбу
.
Не принципиально какие будут ЭБУ?
18 Окт 2025
induke
ответил(а) в теме
1 дпкв на 2 эбу
.
это наверно перестраховываются от отвала земли и в земляной сигнальный провод каждого датчика впаивают резистор 1-2 килоома. ну в...
18 Окт 2025
induke
ответил(а) в теме
1 дпкв на 2 эбу
.
на входе уже и так все есть.
18 Окт 2025
Ataman4eG
ответил(а) в теме
1 дпкв на 2 эбу
.
Натыкался на инфе что резисторы ещё запаивают куда то какие то
18 Окт 2025
induke
ответил(а) в теме
Платформа для самостоятельной настройки авто
.
рокера? потому что они сделаны как я сказал - не детонят. ну если не лить в них 78 бензин. с дуру то можно и член сломать в 5...
18 Окт 2025
induke
ответил(а) в теме
1 дпкв на 2 эбу
.
да. датчик сам сигнал выдает активный сигнал. как батарейка только переменный ток, в мозгах только пассивный приемник стоит. главное...
18 Окт 2025
Ataman4eG
ответил(а) в теме
1 дпкв на 2 эбу
.
100%рабочий вариант?
18 Окт 2025
vitas-do
ответил(а) в теме
Платформа для самостоятельной настройки авто
.
ну как сказать на класика моторы дд вон вообще не ставили, ракура как поработают такие звуки дают...
18 Окт 2025
vitas-do
понравилось
сообщение пользователя induke
в теме
Платформа для самостоятельной настройки авто
.
у детона есть своя собственная частота на которой ничто не гремит. а еще очень важно - есть очень узкое временное окно, когда вообще...
18 Окт 2025
Главная
Что нового?